Фланцы воротниковые ГОСТ 12821-80
Фланцы воротниковые ГОСТ 12821-80 | Челябинская Арматура
- В наличии на складе в Челябинске
- Срок поставки: от 2-х рабочих дней
- Сертификаты и паспорта к каждой поставке
- 100% гарантия возврата средств в случае брака
Размеры фланцев стальных приварных встык ГОСТ 12820-20
| Технические характеристики фланцев | |
|---|---|
| Диаметр условный Ду(Dn) (мм) | 20-1200 |
| Давление (кгс/см²) | 6-250 |
| Диаметр внешний (D), мм | 125-1485 |
| Толщина фланца, мм | 20-51 |
| Высота воротника, мм | 56-125 |
| Число отверстий | 4-32 |
| Рабочая среда | Вода, газ, пар, нефть и продукты ее переработки |
| Тип присоединения: | Стыковая сварка |
| Марка стали | 20, 09г2с, 12х18н10т |
| Вес, кг | 1,98-284.94 |
| Температурный режим | от -70 до +300°С |
| Нормативный документ | ГОСТ 12821-80 |
| Производство | Россия |
Производство и монтаж фланцев ГОСТ 12821-80 в Ростове-на-Дону
Воротниковые фланцы используют для прочного соединения труб и трубопроводной арматуры. Компания «Челябинская Арматура» поставляет стальные приварные встык фланцы ГОСТ 12821-80 по России и Казахстану. Оформить заявку на продукцию, узнать цены и условия доставки можно по номеру телефона, электронной почте или через форму заказа на сайте.
Сферы применения стальных фланцев ГОСТ 12821-80:
- сельское хозяйство;
- ЖКХ;
- энергетика;
- химическая промышленность;
- нефтегазовый сектор.
Стандартом установлены размеры, чертежи, характеристики и условия эксплуатации. Детали производят из углеродистой, низколегированной и нержавеющей стали марок 20, 09г2с, 12х18н10т. На входном контроле сырья металлопрокат испытывают на ударную вязкость и прочность. Поверхность заготовок очищают от заусенцев.
Характеристики
- Тип — стальные воротниковые.
- Диаметр (Ду) — от 15 до 1200 мм.
- Способ монтажа: стыковая сварка.
- Методы производства: ковка, штамповка, гибка.
- Условное давление (Ру) — 0,1...20,0 МПа (1..200 кгс/см2).
- Рабочая среда — вода, газ, пар, нефть и продукты ее переработки, а также другие жидкие и газообразные вещества без агрессивного к материалам конструкции состава.
Воротниковые приварные встык фланцы изготавливают в следующих исполнениях: с соединительным и обычным выступом, с впадиной, с шипом, с пазом, под прокладки овального сечения и линзовую. Конструкция детали предотвращает утечку перемещаемых веществ и разгерметизацию трубопроводной сети.
Качество продукции проверяют визуально, а также испытаниями на прочность, герметичность, стойкость к нагрузкам. Поверхность готовых изделий не содержит дефектов и механических повреждений: вмятин, расслоений, трещин, брызг от металла и сварки. В комплект поставки входят технические паспорта и сертификаты качества.
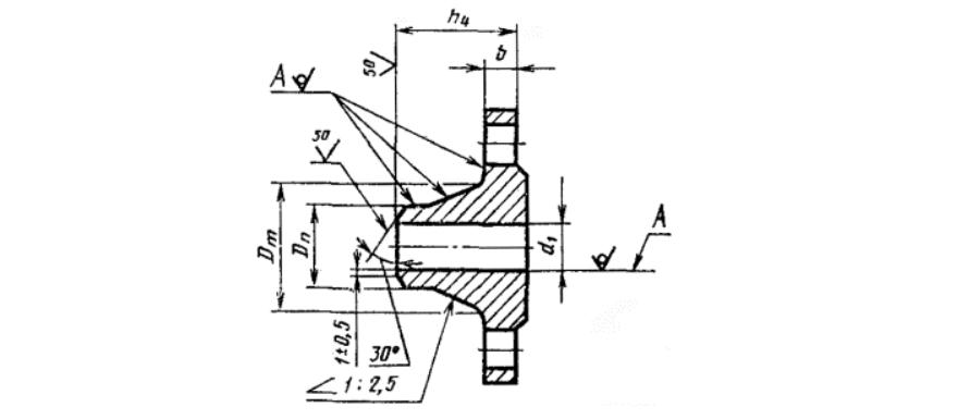
Чертеж

Адрес
График работы
Открыть ГОСТ